Ningbo Richge Technology Co., Ltd.
Ningbo Richge Technology Co., Ltd.
Продукти
Продукти
VBI-24 Фіксований тип ізоляції циліндра MV вакуумний вимикач
  • VBI-24 Фіксований тип ізоляції циліндра MV вакуумний вимикачVBI-24 Фіксований тип ізоляції циліндра MV вакуумний вимикач
  • VBI-24 Фіксований тип ізоляції циліндра MV вакуумний вимикачVBI-24 Фіксований тип ізоляції циліндра MV вакуумний вимикач

VBI-24 Фіксований тип ізоляції циліндра MV вакуумний вимикач

Model:VBI-24
Вакуумний вимикач VBI серії - це нове покоління інтелектуальних вимикачів вакууму. Її живі компоненти, включаючи високоефективний вакуумний переривник та верхній та нижній вихідні термінали, інкапсульовані в епоксидних смоляних термінах. Ця конструкція допомагає запобігти забрудненню на поверхні вакуумного переривника, підвищення його властивостей ізоляції, механічної стабільності та продовження експлуатаційного тривалості життя. Механізм експлуатації вакуумного склянки VBI-24, встановленого на стороні, використовується пружиною для енергії зберігання, яка може керуватися двома способами, вручну або електричні. Характеристики відповідають GB1984-89, JB3855-96<10kv Indoor High Voltage Vacuum Circuit Breaker General Technical Specifications>, Відповідні положення стандарту IEC56. Вакуумний вимикач VBI-24 в приміщенні-це трифазний AC 50 Гц , номінальна напруга пристрою в приміщенні 24 кВ , для промислових та гірничих підприємств, електростанцій та підстанцій як контролю та захисту електричного обладнання, а також для частого експлуатації місця.

VBI-24 Фіксований тип ізоляції циліндра MV вакуумний вимикач

   Серія VBI-24 внутрішнього вимикача вакуумного вимикача з високою напругою з вбудованими полюсами-це три фрази A.C.50 Гц обладнання для розподілу електроенергії з номінальною напругою 24 кВ. Це використовується для захисту та управління електричним обладнанням у галузі промисловості та гірничих підприємств, електростанцій та підкорінки.

   Основна провідна схема цього типу вакуумного вимикача з механізмом пружини-це вбудований полюс, який може значно підвищити надійність ізоляції, механічної та порушення продуктивності та дійсно усвідомити вільне обслуговування та більш тривалий механічний та електричний термін експлуатації. Можливість досягає ступеня M-E2-C2.

   Продукт використовується для багатьох видів розподільних пристроїв, таких як Kyn28-24 (GZS1) і може бути фіксована установка.

  Вакуумний вимикач VBI-24 в приміщенні-це трифазний AC 50 Гц , номінальна напруга пристрою в приміщенні 24 кВ , для промислових та гірничих підприємств, електростанцій та підстанцій як контролю та захисту електричного обладнання, а також для частого експлуатації місця.







Основна інформація.


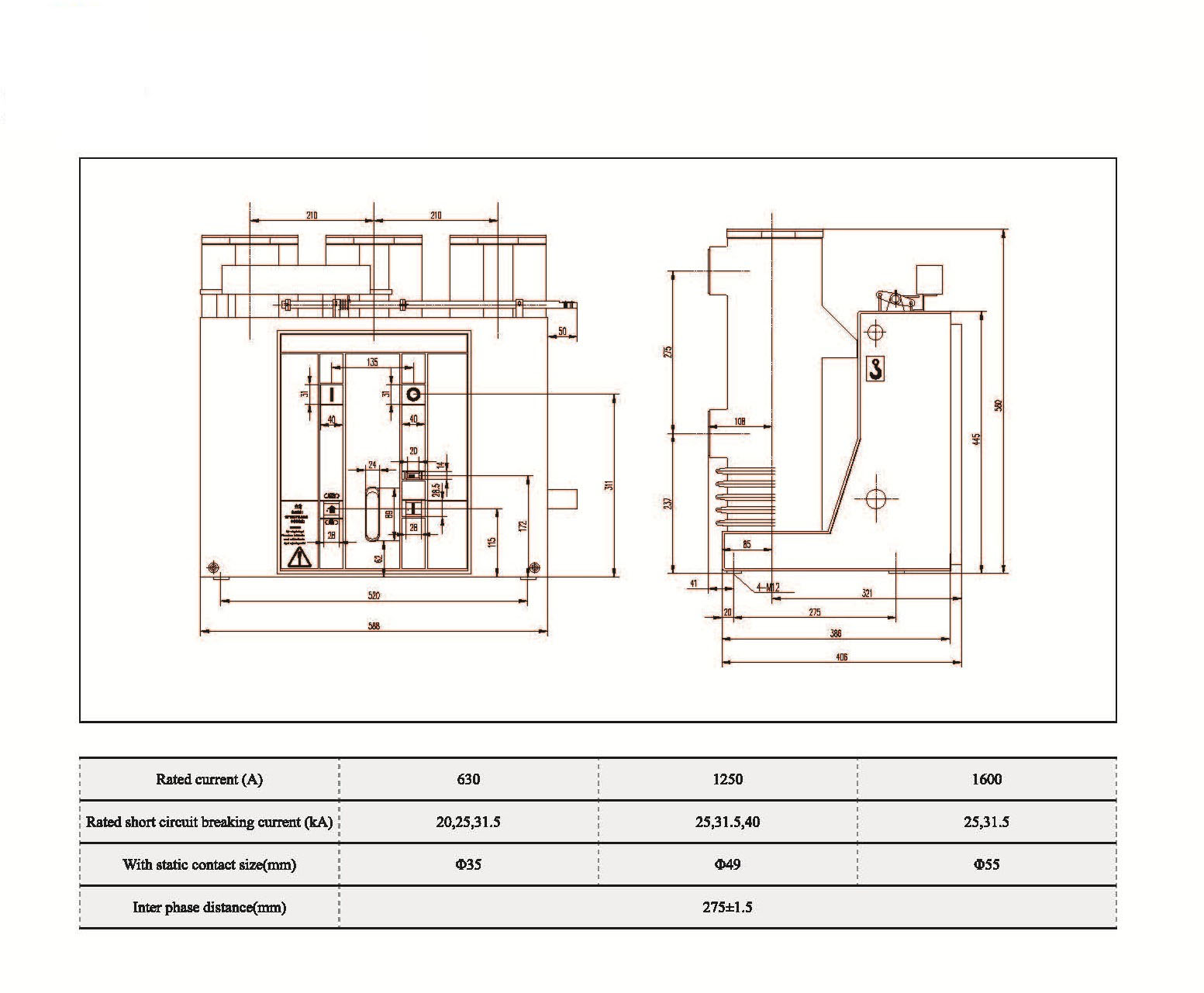
Технічні параметри




Технічні креслення

Поширення

З: Чи можу я отримати ціни на вашу продукцію?

A: Ласкаво просимо. Будь ласка, не соромтеся надіслати нам запит тут. Ми відповімо вам протягом 24 годин.


З: Чи можу я отримати зразок перед основним замовленням?

Відповідь: Так, ми вітаємо зразок замовлення для перевірки та перевірки якості. Змішані зразки прийнятні.


З: Чи можемо ми надрукувати наш логотип/ назву компанії на продуктах?

Відповідь: Так, звичайно, ми приймаємо OEM, тоді вам потрібно, щоб ви надали нам авторизацію бренду


З: Чи приймаєте ви налаштування продукту?

Відповідь: Так, звичайно, надайте конкретні креслення або параметри, ми будемо цитувати вас після оцінки


З: Який час?

Відповідь: Час виконання залежить від замовлених кількостей, як правило, протягом 7-20 днів після отримання платежу.


З: Які ваші торгові умови?

A: Ми приймаємо EXW, FOB, CIF, FCA тощо.


З: Який ваш метод оплати?  

A: Ми приймаємо T/T, Western Union, PayPal, безповоротній л/с тощо


З: Чи перевіряєте ви готові продукти?

Відповідь: Так, кожен крок виробництва та готової продукції буде проведена перевірка відділом QC перед доставкою. І ми надамо звіти про огляд товарів для вашої довідки перед відвантаженням


З: Як вирішити проблеми якості після продажу?

Відповідь: Сфотографуйте проблеми якості та надішліть нам для перевірки та підтвердження, ми зробимо для вас задоволене рішення протягом 3 днів.




Фабрика


Сертифікат




Гарячі теги: VBI-24 Фіксований тип ізоляційного циліндра MV Вакуумний вимикач, Китай, Виробник, Постачальник, Фабрика, Низька ціна, якість, останній продаж, Дослідження
Надіслати запит
Контактна інформація
  • Адреса

    №1083 Чжуншан Східна дорога, район Іньчжоу, місто Нінгбо, провінція Чжецзян, Китай

  • Електронна пошта

    sales@switchgearcn.net

Для запитів щодо розподільних пристроїв низької напруги, ізоляторів високої напруги, заземлювача високої напруги або прайс-листа, залиште нам свою електронну адресу, і ми зв’яжемося протягом 24 годин.
X
Ми використовуємо файли cookie, щоб запропонувати вам кращий досвід перегляду, аналізувати трафік сайту та персоналізувати вміст. Використовуючи цей сайт, ви погоджуєтеся на використання файлів cookie. Політика конфіденційності
Відхиляти прийняти