Ningbo Richge Technology Co., Ltd.
Ningbo Richge Technology Co., Ltd.
Продукти
Продукти
Інтегрований вимикач перемикача колонки Zn12-12
  • Інтегрований вимикач перемикача колонки Zn12-12Інтегрований вимикач перемикача колонки Zn12-12
  • Інтегрований вимикач перемикача колонки Zn12-12Інтегрований вимикач перемикача колонки Zn12-12

Інтегрований вимикач перемикача колонки Zn12-12

Model:ZN12-12
Серія Zn12-12 у приміщенні вакуумного вимикача AC HV-це внутрішнє обладнання з трьох фаз AC 50 Гц, номінальна напруга 12 кВ, яка запровадила технологію німецької компанії. Він підходить для області з усіма видами навантаження та частими експлуатацією, і може використовуватись для захисту та контролю промислових та видобутків, підприємства, електростанції та підстанційних електричних споруд. Цей продукт відповідає відповідним вимогам стандартів GB1984, JB3855, DL403 та IEC.

Інтегрований вимикач перемикача колонки Zn12-12

  Zn12-12 в приміщенні високостійка вакуумного вимикача з високою вимикачем 12 кВ та наступним розподільним пристроєм з високою напругою, в основному, встановленим у фіксованому розподільному пристрої, для промислових та гірничих підприємств, електростанцій та підстанцій для захисту та управління електричними можливостями, а також підходить для руйнування важливих навантажень та частого функціонування місця!

  Вакуумні вимикачі серії Zn12-це пристрій для вимикачів високої напруги в приміщенні з номінальними напругами 12 кВ, 24 кВ та 40,5 кВ та трифазним змінним струмом 50 Гц. Це вітчизняний продукт, розроблений шляхом впровадження німецької технології Siemens 3AF. Експлуатаційний механізм вимикача - це тип зберігання енергії пружини, який може експлуатуватися AC або DC або вручну. Переривник має просту структуру, потужну здатність до розриву, тривалий термін служби та повні функції експлуатації. І не існує небезпеки вибуху, а технічне обслуговування просте. Він підходить для перемикача контролю або захисту систем передачі та розподілу, таких як електростанції, підстанції та промислові та гірничі підприємства, особливо придатні для розбиття важливих навантажень та частого експлуатації. Форма встановлення вимикача в шафі комутатора може бути або фіксованим типом, або вимикачем виведення типу.


Переваги:

1. Вимикач схеми пройшов оцінку Міністерства машин та Міністерства електроенергії в серпні 96 -го, а це означає, що якість абсолютно гарантована.

Механізм вимикача інтегрується з комутатором, а спеціальний механізм приводу накопичення енергії пружини може керуватися за рахунок зберігання енергії змінного струму та постійного струму вручну.

З простою структурою, сильною ємністю розриву, тривалим терміном обслуговування, повними функціями експлуатації, відсутністю небезпеки вибуху та легким обслуговуванням, цей вимикач підходить для контролю або перемикача захисту систем передачі електроенергії та розподілу, такої як електростанція, міська енергетична сітка, підстанція тощо. Особливо підходить для розбиття важливих навантажень та місць із частотою експлуатацією.


Особливості:

1. Порушення ємності гасіння дуги висока, струна перенесення є низькою, а електричний термін - довгий.

2. Макет - спереду назад, проста та компактна структура, повна робота та легке обслуговування.

3. Для структури та установки їх можна розділити на: горизонтальний фіксований тип, похилий фіксований тип, середній набір рухомого типу.






Основна інформація.



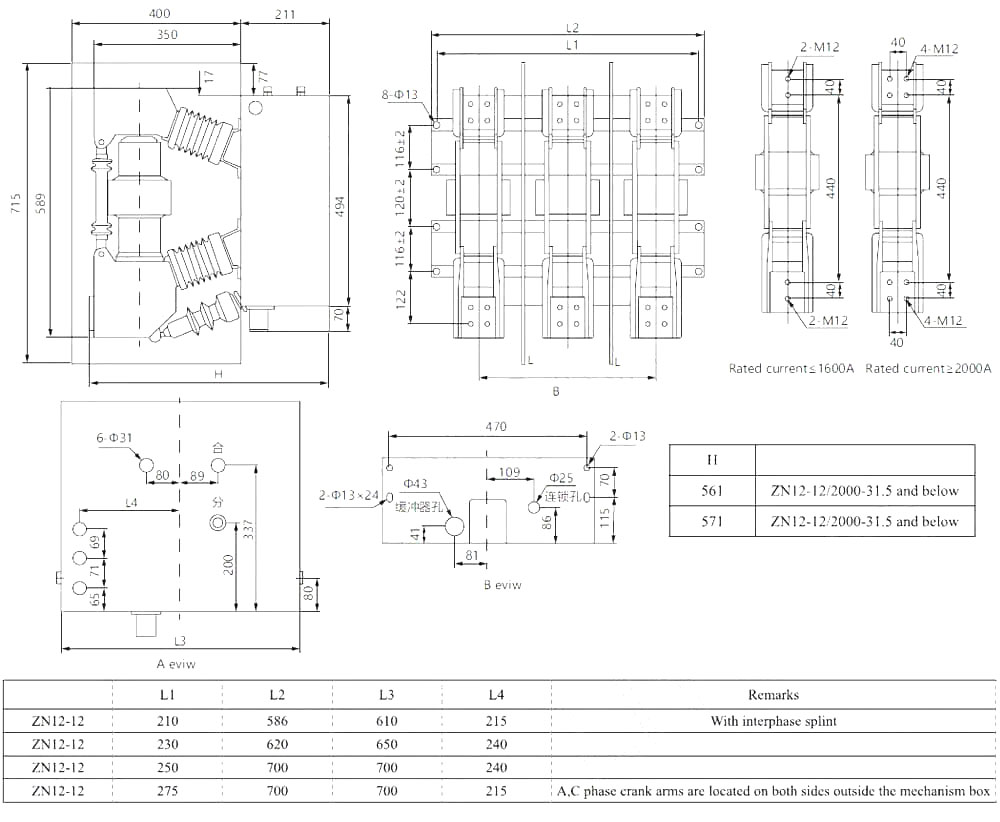
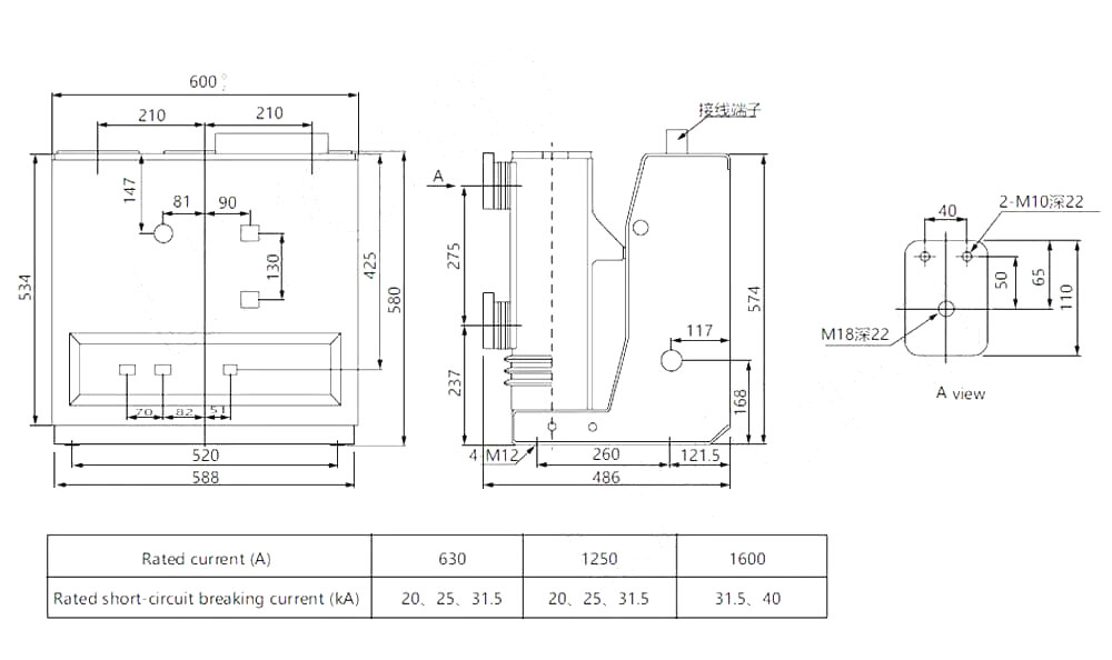
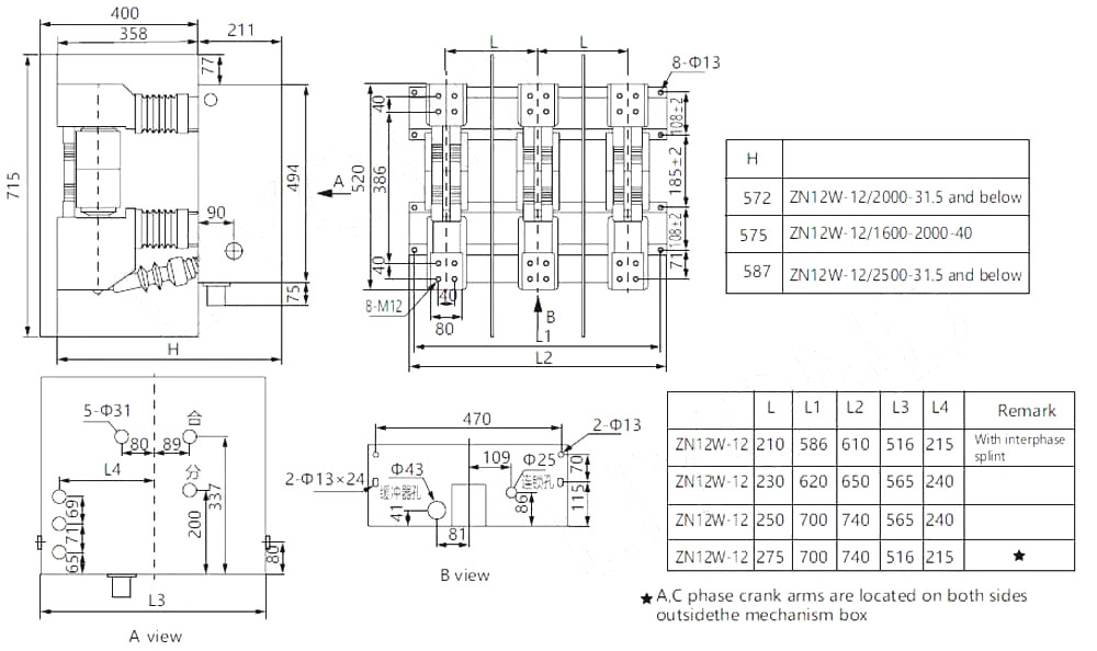
Технічні параметри



Технічні креслення


Умови використання Zn12-12 Інтегрований вимикач перемикача колонки вакуумний вимикач1. Висота: ≤1000 м; (Висота прототипу може досягати нижче 4000 метрів)

2. Температура навколишнього середовища: найвища +40 ° C, найнижчий -25 ° C;

3. Відносна вологість: середня щоденна не більше 95%, середня щомісяця - не більше 90%;

4. Інтенсивність землетрусу: менше 8;

5. Установка середовища: Немає пожежі, небезпеки вибуху, не корозійного газу та немає насильницького вібраційного місця.

6. Будь ласка, зв'яжіться з виробником вакуумного вимикача, якщо середовище використання перевищує вищезазначене.




Поширення

З: Чи можу я отримати ціни на вашу продукцію?

A: Ласкаво просимо. Будь ласка, не соромтеся надіслати нам запит тут. Ми відповімо вам протягом 24 годин.


З: Чи можу я отримати зразок перед основним замовленням?

Відповідь: Так, ми вітаємо зразок замовлення для перевірки та перевірки якості. Змішані зразки прийнятні.


З: Чи можемо ми надрукувати наш логотип/ назву компанії на продуктах?

Відповідь: Так, звичайно, ми приймаємо OEM, тоді вам потрібно, щоб ви надали нам авторизацію бренду


З: Чи приймаєте ви налаштування продукту?

Відповідь: Так, звичайно, надайте конкретні креслення або параметри, ми будемо цитувати вас після оцінки


З: Який час?

Відповідь: Час виконання залежить від замовлених кількостей, як правило, протягом 7-20 днів після отримання платежу.


З: Які ваші торгові умови?

A: Ми приймаємо EXW, FOB, CIF, FCA тощо.


З: Який ваш метод оплати?  

A: Ми приймаємо T/T, Western Union, PayPal, безповоротній л/с тощо


З: Чи перевіряєте ви готові продукти?

Відповідь: Так, кожен крок виробництва та готової продукції буде проведена перевірка відділом QC перед доставкою. І ми надамо звіти про огляд товарів для вашої довідки перед відвантаженням


З: Як вирішити проблеми якості після продажу?

Відповідь: Сфотографуйте проблеми якості та надішліть нам для перевірки та підтвердження, ми зробимо для вас задоволене рішення протягом 3 днів.




Фабрика


Сертифікат




Гарячі теги: Інтегрований коло колони-перемикач Zn12-12 Series, Китай, Виробник, Постачальник, Фабрика, Низька ціна, якість, останній продаж, Розширений
Надіслати запит
Контактна інформація
  • Адреса

    №1083 Чжуншан Східна дорога, район Іньчжоу, місто Нінгбо, провінція Чжецзян, Китай

  • Електронна пошта

    sales@switchgearcn.net

Для запитів щодо розподільних пристроїв низької напруги, ізоляторів високої напруги, заземлювача високої напруги або прайс-листа, залиште нам свою електронну адресу, і ми зв’яжемося протягом 24 годин.
X
Ми використовуємо файли cookie, щоб запропонувати вам кращий досвід перегляду, аналізувати трафік сайту та персоналізувати вміст. Використовуючи цей сайт, ви погоджуєтеся на використання файлів cookie. Політика конфіденційності
Відхиляти прийняти